Breaking the 3D Logjam     Urgent Worry

Jeremiad

Every now and then I get my fill of arrogance, smugness, yuppies, blithering airheads, carpeted walls, opulent furniture, “departmental priorities”, and “finalizing the game plan”. Here's what happens shortly thereafter.

Remarks for the April Company Meeting

by John Walker — April 3rd, 1987

I was looking at some comparisons between companies a couple of days ago, and they set me to thinking.

Today, the market value of Autodesk, the number of shares of stock times the price per share, is about 610 million dollars. The market value of Computervision, for over a decade the colossus of the CAD industry, is now about 520 million dollars. In the minds of those who back their opinions with their money, Autodesk is worth more than Computervision.

How did that happen?

It happened because we were aggressive, hard-scrabble, hungry rats, responsive to our customers, and able to turn on a dime—while they were complacent, smug, arrogant, arthritic, and hubristic.

While we were working by day to tell our story, sign up dealers, help our users, convince OEMs, and manufacture quality products and ship them on time, and toiling by night designing, developing, testing, and innovating products, they were sitting around their fancy conference tables in their tasteful executive offices writing and reading their five year strategic plans, their market segmentation analyses, their technology forecasts, and their slick promotional brochures.

And while the dinosaurs congratulated each other on their success, we rats were eating their eggs. According to Charles Foundyller of Daratech, in 1982 every one of the top 10 CAD vendors was profitable, and they collectively forecast continued steady growth in unit sales, revenues, and profits. Today, five years later, more than four times as many CAD workstations have been sold as their forecasts predicted. Despite this, only 3 of the top 10 CAD vendors are profitable, and several are effectively leaving the business.

What happened?

Autodesk happened. In the space of 60 months, we plucked the technology of CAD from the clenched fists of the elitists and handed it to the tens of thousands of individuals they disdained. And the results are destroying the companies run by those complacent administrators in their serene office towers.

And what were those mandarins of CAD writing in their strategic overviews five years ago? What were they telling each other at their endless product planning meetings? Well, I'll bet they didn't even mention PC CAD or the low end of the market. I expect they were reassuring each other with those comforting phrases, “Now that we're a big company we can't react as fast as we did in the old days”. “You can't expect people to work as hard now that we've made it as when we were struggling”. “The low end of the market isn't viable—value will always command a premium price”. “We have to protect our installed base—we can't afford the risk of new products to our sales”. “The user can't adapt to new technology as fast as it is developed—we must deliver change to users at a moderate rate, one they can absorb”.

We sold a hundred AutoCADs, then a thousand, then five thousand, and more. In 1984 AutoCAD became the most widely used CAD system in the world. And still they sat in their fancy chairs, skimming their executive summaries while dozing off to the drone of the projector fan. “The low end of the market may be high volume, but there's no revenue or profit there”. “The serious end-user will demand more power.”. “Our reputation and position in the market will always distinguish us from the little guys”.

We twisted, we turned, we changed course, we took chances; we won and lost bets in the marketplace, we reacted to technological opportunities and user requests, and even though we told everybody exactly what we were doing, we managed to saw off the entire low end of the market pyramid before those statesmen of the CAD millennium got their minds off their Mercedeses, their stock bonus plans, their new office layouts, and their corporate image development programs and realised that we had rendered them impotent and obsolete.

Every quote I have put in the mouths of the big CAD people is a paraphrase of something I've heard in this building in the last two months.

I look at how our architects and interior decorators have betrayed, subverted, and sold out the low-rent surroundings which were not this company's image, but its very soul, and it makes me want to puke.

When we went to AutoCAD Expo in Europe, we went business class. I guess it's expected these days. The wide seats, the free booze, and the quiet surroundings cost our company a total of $27,000 more than the plebeian seats in the back of the plane. That's just a little less than half the cash it took to start this company.

Charles Foundyller showed another slide in his talk. It was a unit market share chart of the CAD industry, and Autodesk was in the usual number one position. Number two was Generic CADD, with half our market share. In the last year they have gone from zero to half as many units as us, and at the present shipping rates, we will end this year as number two.

Of all of the companies who sell products in the price category of AutoCAD, only Autodesk lacks a true 3D product. And we decline to even estimate a date for delivering one. “The customers have to understand, AutoCAD is a big, complicated program and…blah blah blah”.

Why is this company successful?

Because more than 80,000 individuals and businesses have parted with thousands of dollars of their hard earned money to buy our products. They bought our products and the hardware to run them because they believed us when we told them that what we had to sell would do the job and repay their investment. Everything else flows from this simple act of trust and our keeping the promises we make when we sell a product.

If I hear one more comment about “end-user perceptions” I may be moved to homicide. What the hell is an end-user anyway? The last guy on a dull needle? I suggest that we ditch this yuppie-babble and call the people whose dollars and trust support our company by the old-fashioned term of respect they are due. Customers. They deserve the very best we can do for them. Little else matters very much.

Now I'm sure that after sharing these thoughts with you—these thoughts that keep me awake night after night—some people will tell me that I've created an “atmosphere of crisis”, and that they feel “insecure”. Well they should. This is a high technology business, and the only thing we have to sell is the quality of our products and our service to the customer. Doze off, get smug, bet the wrong way, and it can turn on you overnight and wreck all of your well-crafted plans. Lose that ineffable edge that comes from dedication, concentration, and maximum effort, and the flaming knife of retribution will flense the extravagance, the triviality, and the arrogance from the carcass of a company on the way down. All of the Cross pens, all the conference tables, all the business class airfares, the volleyball leagues, and the carpeted walls in the world won't buy us a second chance if we forget and abandon the things that brought our great success. The risk today is no less and no more than it was when we started the company. It's been that way throughout the company's history. The big rewards come from the big risk, and if you can't accept that, you might be happier working for the phone company or the government.

Autodesk original letterhead

I have here a relic of the founding of Autodesk—a sheet of our original stationery, which Roxie and I designed on our dining room table. Below the company name, it said “Excellence in Computer Software”. That is what this company is about. Excellence in design, implementation, testing, documentation, training, marketing, sales, support, manufacturing, shipping, customer service, dealer support, finance, administration, and everything else we do. That is what got us here. That is what can keep us growing, changing, and continuing to create challenges, opportunities, and rewards for all of us involved in this venture.

This is about more than just making money. I think that what we are doing here is right. I believe that the rewards we have reaped so far stem from that rightness as much as from hard work and luck. Responsiveness to our customers, aggressiveness in developing our products and promoting them in the marketplace—excellence in everything we do. We owe our best efforts to continuing the development of this industry we have created in the last five years. We owe it to our customers. We owe it to our dealers. We owe it to ourselves.

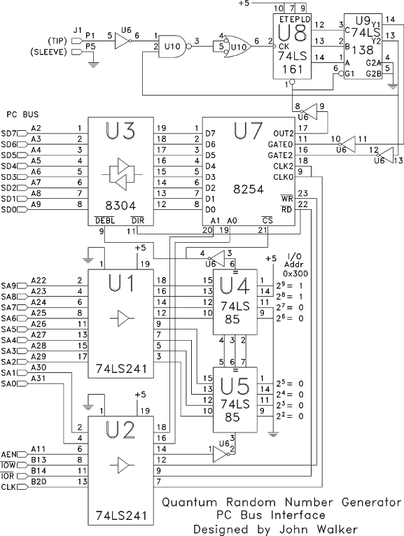
Even though Autodesk taught me that selling software works much better than selling hardware, I've learned that success with software doesn't assuage the compulsion to build a gizmo every now and then. In 1986 I built this card that plugs into the IBM PC bus and attaches to a trivially-modified Heathkit RM-4 Geiger tube radiation monitor. I use a 10 microCurie Cesium 137 source to generate radioactive decay events. Along with a little software, this generates true random numbers, as opposed to computer-generated pseudorandom numbers. I drew the schematics using a development version of AutoCAD Release 9 in an attempt to find AutoCAD bugs. I didn't find a one.

AutoCAD Qrand logic drawing

Breaking the 3D Logjam     Urgent Worry